FM-25 Info.


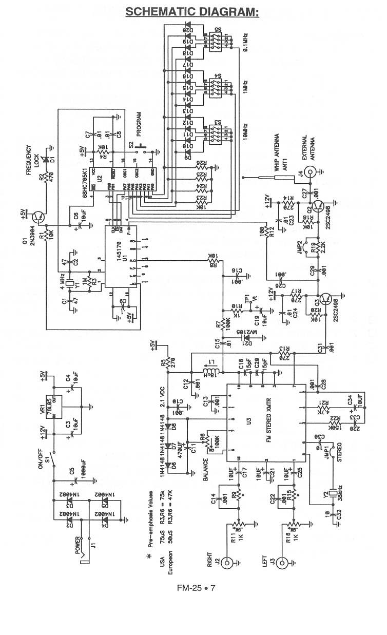
Ramsey trying to go to the next level with it's FM xmitter kits has released the FM-25. It is a true synthisized stereo FM broadcast transmitter. It offers frequency stability not obtainable with inductor/capacitor free running oscilator based circuits like the FM-10 and others. The FM-25 has an export power option that brings it's output power to about 60mw and the FM-25 is very easy to build even though the part count is high. Once again Ramsey has done a great construction manual, the strongest part of both the FM-10 and FM-25 kits.

The FM-25 does leave alot to be desired. The output power is too great for the final RF amplifier stage. The supplied power supply and case are a little better than junk. Some of the circuit can be slightly modified for greater performace in both output power and sound quality. Soon I will be exploring solutions to some of these problems. John Ramsey was kind enough to demo me a kit, and I will be building it shortly.


Nothing here yet except:


Last Updated October 31, 1995.
©1995 By Mycal, All Rights Reserved